YZUL型立式振動電機
YZUL系列立式振動電機是我公司新型立式振動電機產品,采用先進的單法蘭結構,設計精巧,運行安全可靠,單法蘭結構使得立式振動電機安裝維護方便,同時可大大減輕主機重量,減小主機外形尺寸、簡化主機結構、降低主機成本,使得主機對物料的處理量更大。振動電機激振力能在一定范圍內非常容易地進行有級調節,滿足各種作業需求。
使用新型密封技術及進口密封件,大大提高了立式振動電機的防塵防潮能力,產品能在各種高塵高潮濕場所安全穩定運行。
YZUL series vertical vibration motor is our new type of vertical vibration motor products, the use of advanced single flange structure, exquisite design, safe and reliable running, single flange structure makes easy installation and maintenance of vertical vibration motor, can greatly reduce the host weight at the same time, to decrease the size of the host appearance, simplify the structure of the host, the host to reduce costs, make the host of the capacity of material is bigger.Vibration motor vibration force can very easily in a level within a certain scope adjustment, meet the demand of all kinds of homework.
Using the new sealing technology and imported seal, greatly improving the vertical vibration motor dust moistureproof ability, products can be in the safe and stable operation of all kinds of high dust damp places.
YZUL series vertical vibration motor is our new type of vertical vibration motor products, the use of advanced single flange structure, exquisite design, safe and reliable running, single flange structure makes easy installation and maintenance of vertical vibration motor, can greatly reduce the host weight at the same time, to decrease the size of the host appearance, simplify the structure of the host, the host to reduce costs, make the host of the capacity of material is bigger.Vibration motor vibration force can very easily in a level within a certain scope adjustment, meet the demand of all kinds of homework.

YZUL型振動電機主要特點
1.噪音低、能耗低、效率高。
2.體積小、重量輕、啟動迅速。
3.安裝便捷、維護簡單、壽命長。
4.激振力易于無級調整且調節范圍廣、振動無機械傳導。
Features
1. Low noise, low energy consumption, high efficiency.
2. Small volume, light weight, start quickly.
3. The installation is convenient, simple maintenance, long service life.
4. The exciting force is easy to stepless adjusting and the adjusting range is extensive, vibration without mechanical transmission.
2.體積小、重量輕、啟動迅速。
3.安裝便捷、維護簡單、壽命長。
4.激振力易于無級調整且調節范圍廣、振動無機械傳導。
Features
1. Low noise, low energy consumption, high efficiency.
2. Small volume, light weight, start quickly.
3. The installation is convenient, simple maintenance, long service life.
4. The exciting force is easy to stepless adjusting and the adjusting range is extensive, vibration without mechanical transmission.
YZUL型振動電機工作原理
YZUL型振動電機是動力源與振動源結合為一體的激振源,振動電機是在轉子軸兩端各安裝一組可調偏心塊,利用軸及偏心塊高速旋轉產生的離心力得到激振力。由電機本身運行產生易于調整的水平、垂直、傾斜等方向多元激振力,形成物料的快速平面分散、中心聚集、平面旋轉、三維旋轉等多種運動方式,用于控制排料速度、處理精度等機械性能指標,以其獨特的結構特點適應于不同的機械對振動源的要求。
Working principles
YZUL type vibration motor compound the power source and vibration source into exciting source, vibration motor on both ends of the rotor shaft is the installation of a set of adjustable eccentric block, the centrifugal force generated by high speed rotation shaft and eccentric block vibration force.Produced by the motor run itself is easy to adjust the direction of horizontal, vertical and inclined multiple exciting force, concentrated form material fast plane scattered, center, plane rotation, 3 d rotation motion a variety of ways, is used to control the discharge rate, processing precision, such as mechanical performance, with its unique structure adapted to the different mechanical requirements for vibration source.
Working principles
YZUL type vibration motor compound the power source and vibration source into exciting source, vibration motor on both ends of the rotor shaft is the installation of a set of adjustable eccentric block, the centrifugal force generated by high speed rotation shaft and eccentric block vibration force.Produced by the motor run itself is easy to adjust the direction of horizontal, vertical and inclined multiple exciting force, concentrated form material fast plane scattered, center, plane rotation, 3 d rotation motion a variety of ways, is used to control the discharge rate, processing precision, such as mechanical performance, with its unique structure adapted to the different mechanical requirements for vibration source.
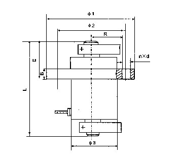
YZUL型振動電機安裝尺寸圖表
Installation dimensions
| 序號 | 型號 |
激振力 (KN) |
功率(KW) | 同步轉速(rpm) | 安裝尺寸(mm) | 外形尺寸(mm) | ||||||
| φ3 | N | φ | φ1 | φ2 | L1 | L2 | L3 | |||||
| 1 | YZUL3-4 | 3 | 0.18 | 1500 | 200 | 4 | 12 | 230 | 155 | 209 | 144 | 74 |
| 2 | YZUL5-4 | 5 | 0.25 | 210 | 4 | 12 | 245 | 165 | 326 | 212 | 85 | |
| 3 | YZUL8-4 | 8 | 0.55 | 235 | 6 | 14 | 270 | 190 | 340 | 233 | 144 | |
| 4 | YZUL10-4 | 10 | 0.75 | 265 | 8 | 18 | 310 | 220 | 436 | 290 | 144 | |
| 5 | YZUL15-4 | 15 | 1.1 | 265 | 8 | 18 | 310 | 220 | 452 | 299 | 144 | |
| 6 | YZUL30-4 | 30 | 1.5 | 315 | 8 | 22 | 370 | 264 | 488 | 328 | 153 | |
| 7 | YZUL50-4 | 50 | 2.2 | 390 | 8 | 26 | 450 | 330 | 550 | 374 | 150 | |












