YZS振動電機
YZS振動電機概述
YZS振動電機一種常見的振動電機型號。振動電機是眾多機械設備上產品動力的主要設備,也是振動篩上的主要部件。
Product overview
YZS vibrating motor a common vibration model.Vibration motor is main equipment of numerous mechanical equipment on the product power, is also a major part of the vibrating screen.
Product overview
YZS vibrating motor a common vibration model.Vibration motor is main equipment of numerous mechanical equipment on the product power, is also a major part of the vibrating screen.

YZS振動電機除了可以應用與一般振動機械外,還可以組合多種振動形式。如:平旋型,渦旋型,搖動振動型,組合直線型,組合長橢圓型,復合雙頻型,復合雙幅型等。由這些振動形式可以產生出一些過去所沒有的新型振動機械。這是該振動電機的主要特點。
YZS系列振動電機是一種新型號振動電機, 特點是體積小巧, 外形美觀, 性價比高等。與其它振動電機不同的是它的外殼和機座是一體鑄造完成,改進了工藝,減少了成本,提高了防塵性能。
YZS vibrating motor in addition to application and general vibration machine outside, also can combine a variety of vibration mode.Such as: swing, vortex, shaking vibration type, combination straight, long elliptic type, compound dual-band type, compound type double amplitude, etc.By these vibration form can produce some past have no of new vibration machine.This is the main characteristic of the vibration motor.
YZS series is a kind of new type vibration motor, vibration motor is characterized by small size, beautiful appearance, high performance-price ratio.Unlike other vibration motor shell and frame is a whole casting, improved the process to reduce the cost and improve the performance of dust.
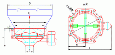
YZS振動電機安裝尺寸
Installation dimension
振動電機型號有很多種,歡迎查看我公司網站更多振動電機產品,若有振動電機需求請致電宏源科技。YZS振動電機咨詢熱線:400--0000-343.
Vibration motor model, there are many more vibration motor products ,welcome to view our company website, if there is demand please contact hongyuan vibration motor vibration.YZS vibrating motor hotline: 0373-2678028.












